压力继电器APSC系列特性

工作温度: -20∼+80℃;
重现性: 加减1%;
粘度范围: 10∼800cst;
保证规范: IP65;
切换频率: 80次/分;
触点负载: 250VAC.3A,30VDC.4A
压力继电器APSC系列型号说明
APSC | 230 | 1 |
系列号码 | 压力调整范围 MPa |
阀规格 |
管式安装:APSA、APSB、APSC、APSD、APSE、APSF 板式安装:APSG、APSH |
见规格表 | 1: 1/4" PT 2 : 1/4" NPT 3: 1/4" SAE 4 : 1/4" BSP |
压力继电器APSC系列规格表
APSA APSB | APSC APSE APSF | APSD | APSG APSH | ||||
压力范围 | 最高压力 | 压力范围 | 最高压力 | 压力范围 | 最高压力 | 压力范围 | 最高压力 |
35=5-35bar 70=10-70bar 150=30-150bar 230=50-230bar 420=90-420bar |
200bar 200bar 600bar 600bar 600bar |
60=5-60bar 125=10-125bar 275=25-275bar 400=30-400bar |
200bar 200bar 200bar 600bar |
40=5-40bar | 200bar | 60=5-60bar 125=10-125bar 275=25-275bar |
200bar 200bar 600bar |
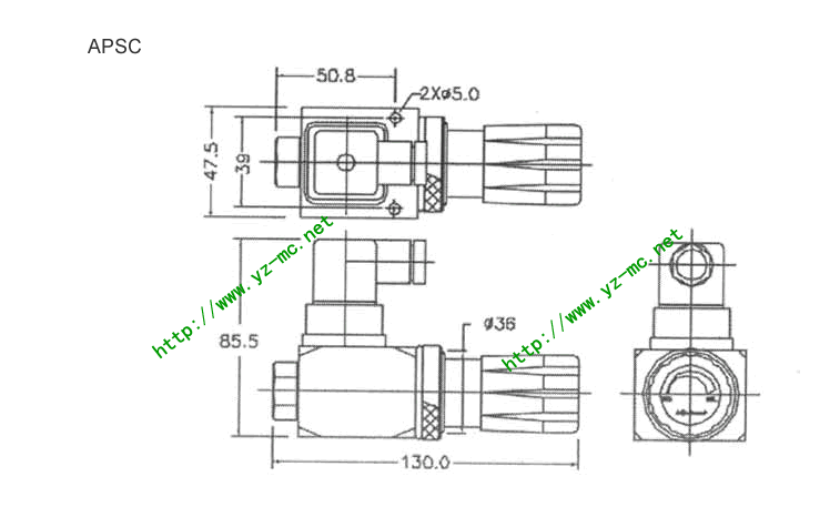
压力继电器APSC系列尺寸图
